Macam - Macam Alat Ukur
MIKROMETER SEKRUP
Mikrometer
sekrup adalah alat pengukuran yang terdiri dari sekrup terkalibrasi dan
memiliki tingkat kepresisian 0.01 mm (10-5 m). Alat ini ditemukan pertama kali
oleh Willaim Gascoigne pada abad ke-17. Penggunaan pertamanya adalah untuk
mengukur jarak sudut antar bintang-bintang dan ukuran benda-benda luar angkasa
dari teleskop.
Bagian-bagian
Mikrometer Sekrup
- Poros Tetap (Anvil)
Bagian poros
yang tidak bergerak. Objek yang ingin diukur ditempelkan di bagian ini dan
bagian poros geser didekatkan untuk menjepit objek tersebut.
- Poros Geser (Spindle)
Poros bergerak
berbentuk komponen silindris yang digerakkan oleh thimble.
- Pengunci (Lock Nut)
Bagian yang
dapat digunakan untuk mengunci pergerakan poros geser.
- Sleeve
Bagian statis
berbentuk lingkaran yang merupakan tempat ditulisnya skala pengukuran. Terdapat
dua skala, yaitu skala utama dan skala nonius.
- Thimble
Bagian yang
dapat digerakkan oleh tangan penggunanya.
- Ratchet
Bagian yang
dapat membantu menggerakkan poros geser dengan pergerakan lebih perlahan
dibanding menggerakkan thimble.
- Rangka (Frame)
Komponen
berbentuk C yang menyatukan poros tetap dan komponen-komponen lain mikrometer
sekrup. Rangka mikrometer sekrup dibuat tebal agar kokoh dan mampu menjaga
objek pengukuran tidak bergerak, bergesar, atau berubah bentuk.
Cara
Menggunakan Mikrometer Sekrup
Prinsip kerja
mikrometer sekrup adalah menggunakan suatu sekrup untuk memperbesar jarak yang
terlalu kecil untuk diukur secara langsung menjadi putaran suatu sekrup lain
yang lebih besar dan dapat dilihat skalanya.
Cara Menggunakan Mikrometer Sekrup
- Objek yang ingin diukur diletakkan menempel dengan bagian poros tetap.
- Setelah itu, bagian thimble diputar hingga objek terjepit oleh poros tetap dan poros geser.
- Bgian ratchet dapat diputar untuk menghasilkan perhitungan yang lebih presisi dengan menggerakkan poros geser secara perlahan.
- Setelah yakin bahwa objek benar-benar terjepit diantara kedua poros, hasil pengukuran dapat dibaca di skala utama dan skala nonius.
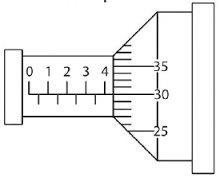
Cara Membaca
Mikrometer Sekrup
Pembacaan
mikrometer sekrup dilakukan pada dua bagian, yaitu di skala utama dan di skala
nonius atau Vernier. Skala utama dapat dibaca di bagian sleeve dan skala nonius
dapat dibaca di bagian thimble.
Pada contoh
pengukuran di atas, cara membaca mikrometer sekrup tersebut adalah:
Untuk skala
utama, dapat dilihat bahwa posisi thimble telah melewati angka “5” di bagian
atas, dan pada bagian bawah garis horizontal telah melewati 1 strip. 0.5mm.
Artinya, pada bagian ini didapat hasil pengukuran 5 + 0.5 mm = 5.5 mm.
Pengukuran juga dapat dilakukan dengan prinsip bahwa setiap 1 strip menandakan
jarak 0.5mm. Dikarenakan terlewati 5 strip di atas garis horizontal dan 6 strip
di bawah garis horizontal, maka total jarak adalah (5+6) x 0.5mm = 5.5mm
Pada bagian
kedua, terlihat garis horizontal di skala utama berhimpit dengan angka 28 di
skala nonius. Artinya, pada skala nonius didapatkan tambahan panjang 0.28mm
Maka, hasil
akhir pengukuran mikrometer sekrup pada contoh ini adalah 5.5 + 0.28 = 5.78mm.
Hasil ini memiliki ketelitian sebesar 0.01 mm.
Contoh Soal Mikrometer Sekrup dan
Pembahasan
Contoh Soal 1:
Jika
pada suatu pengukuran didapatkan gambar skala utama dan skala nonius sebagai
berikut, berapa panjang dari benda yang diukur?
Jawaban
Skala utama = 4 mm
Skala nonius = 0,30 mm
Maka, hasil pengukuran = Skala
utama + skala nonius = 4 +0,3 = 4,30 mm
JANGKA SORONG
Jangka sorong adalah alat ukur
yang mampu mengukur jarak, kedalaman, maupun ‘diameter dalam’ suatu objek
dengan tingkat akurasi dan presisi yang sangat baik (±0,05 mm). Hasil
pengukuran dari ketiga fungsi alat tersebut dibaca dengan cara yang sama.
Alat ini dipakai secara luas pada
berbagai bidang industri enjiniring (teknik), mulai dari proses
desain/perancangan, manufaktur/pembuatan, hingga pengecekan akhir produk. Alat
ini dipakai luas karena memiliki tingkat akurasi dan presisi yang cukup tinggi,
mudah digunakan, mudah dibawa-bawa, dan tidak membutuhkan perawatan khusus.
Karena alasan inilah jangka sorong lebih disukai insinyur (enjinir)
dibandingkan alat ukur konvensional seperti penggaris.
Cara Membaca Jangka Sorong
Perhatikan hasil pengukuran
diatas. Cara membaca jangka sorong untuk melihat hasil pengukurannya hanya
dibutuhkan dua langkah pembacaan:
Membaca skala utama: Lihat gambar
diatas, 21 mm atau 2,1 cm (garis merah) merupakan angka yang paling dekat
dengan garis nol pada skala vernier persis di sebelah kanannya. Jadi, skala
utama yang terukur adalah 21mm atau 2,1 cm.
Membaca skal vernier: Lihat
gambar diatas dengan seksama, terdapat satu garis skala utama yang yang tepat
bertemu dengan satu garis pada skala vernier. Pada gambar diatas, garis lurus
tersebut merupakan angka 3 pada skala vernier. Jadi, skala vernier yang terukur
adalah 0,3 mm atau 0,03 cm.
Untuk mendapatkan hasil
pengukuran akhir, tambahkan kedua nilai pengukuran diatas. Sehingga hasil
pengukuran diatas sebesar 21 mm + 0,3 mm = 21,3 mm atau 2,13 cm.
Contoh Soal Jangka Sorong
Contoh Soal 1
Tentukan hasil pengukuran pada
gambar diatas dalam satuan centimeter.
Solusi:
Pembacaan skala utama= 10 cm
(angka 10 persis bersebrangan dengan angka nol pada skala vernier disebelah
kanannya).
Pembacaan skala vernier/ skala
nonius= 0,02 cm (garis kedua setelah nol pada skala vernier tepat lurus dengan
garis diatasnya).
Jadi, hasil pengukuran pada
gambar di atas = 10 cm + 0,02 cm = 10,02 cm
Atau 100,2 mm.
MISTAR (PENGGARIS)
Mistar atau penggaris adalah alat
ukur panjang yang sering digunakan. Alat ukur ini memiliki skala terkecil 1 mm
atau 0,1 cm. Mistar memiliki ketelitian pengukuran setengah dari skala
terkecilnya yaitu 0,5 mm. Pada saat melakukan pengukuran dengan mistar, arah
pandangan harus tegak lurus dengan dengan skala pada mistar dan benda yang
diukur. Jika tidak tegak lurus maka akan menyebabkan kesalahan dalam
pengukurannya, bisa lebih besar atau lebih kecil dari ukuran aslinya.
Contoh:
SKALAMETER
Skalameter atau biasa disebut
juga dengan angka merupakan bagian angka / harga strip yang akandibaca /
ditujukan oleh jarum sebagai hasil pengukuran.

Untuk mencari harga 1 strip dalam skalameter diberlakukan rumus
Dimana,
Batas ukur adalah nilai / angka terakhir (pojok) dari alat ukur
Jumlah strip adalahbanyaknya strip / garis pada alat ukur
Tentukan berapa nilai 1 strip, gambar di bawah ini !
Jawabannya
= 10







0 Response to "Macam - Macam Alat Ukur"
Posting Komentar